高含水原油自動取樣器
高含水(20-90%)油水混合液在管線內流動時,因油、水密度的差異而導致油、水嚴重分離,此時若取樣,即便在取樣探頭上游加裝靜態(tài)混合器等攪拌裝置,也無法取到有代表性的試樣。
生產企業(yè):南陽市中南儀表有限責任公司
服務熱線:13803878703
高含水(20-90%)油水混合液在管線內流動時,因油、水密度的差異而導致油、水嚴重分離,此時若取樣,即便在取樣探頭上游加裝靜態(tài)混合器等攪拌裝置,也無法取到有代表性的試樣。
生產企業(yè):南陽市中南儀表有限責任公司
服務熱線:13803878703
高含水(20-90%)油水混合液在管線內流動時,因油、水密度的差異而導致油、水嚴重分離,此時若取樣,即便在取樣探頭上游加裝靜態(tài)混合器等攪拌裝置,也無法取到有代表性的試樣。
ZHYQ-Ⅱ-GS型高含水原油自動取樣器采用旋轉探頭結構,雙進油口對稱布局,取樣時探頭在管內轉動,兩個進油口相對液流而言做上下往復移動,所取試樣含蓋管頂至管底全部油層,由傳統(tǒng)的點樣變?yōu)槿珜訕樱平饬擞绊懜吆茌斣妥詣尤拥钠款i難題。
一、設備構成
1、旋轉探頭組件:由微型防爆電機、旋轉探頭、傳動構件、殼體件等組成,電機功率不大于0.2KW。

2、過濾器:快拆式結構,清洗濾芯方便快捷。
3、磁力循環(huán)泵:泵頭材質不銹鋼,功率0.37KW。
4、放樣電磁閥:電源DC24V。
5、工藝管閥件:不銹鋼球閥、不銹鋼管線等。
6、防爆控制箱:內置西門子PLC、線路板、控制元器件等。
7、撬裝機柜:落地式固定,不銹鋼外殼。高*寬*深=1200*600*700。
二、工作原理

設備工作原理圖
設備采集子樣時,旋轉探頭組件的微型電機啟動,帶動探頭旋轉,同時循環(huán)泵啟動,油品自旋轉探頭的兩個對稱進油口混流后進入取樣機柜,經由返油回路返回到輸油管線。當取樣機柜工藝管線內的死油被全部置換后,放樣電磁閥打開,并保持一定時間后自動關閉,完成一個子樣的采集。之后自動停止探頭旋轉和自動停止循環(huán)泵工作。

每次采集子樣時,PLC采集壓力變送器的壓力信號,根據壓力的大小計算出放樣電磁閥需打開的時間,以此保證壓力波動下子樣體積的恒定。
三、性能指標
1、適應油品含水10-90%。
2、采集時間比例樣。做樣時間設置:2-24小時。
3、試樣采集量設置(旋鈕):60-1500毫升。
4、公稱壓力:2.5MPa。
5、工作電源:AC380V/1.5KW。
6、防爆標示:dⅡBT4。
7、環(huán)境條件:室內安裝,環(huán)境溫度5-40℃。
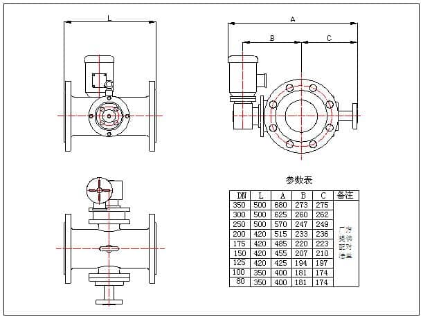
四、安裝尺寸
1、旋轉探頭組件法蘭距(見附圖)
2、取樣機柜
1)機柜外形尺寸:1200*700*600
2)地腳孔:652*400,4-Φ12。
3)防爆箱電源線進口:G3/4內螺紋。

管件安裝尺寸圖

取樣器外形圖

地腳孔尺寸圖
聯(lián)系電話
微信掃一掃